RB-DSD1
Digitaler Sendeausfall-Detektor

   

   Der RB-DSD1 Digitaler Sendeausfall-Detektor entspricht in seiner Funktionalität dem Sonifex RB-SD1, bietet jedoch anstelle der analogen Anschlüssel ausschließlich digitale Schnittstellen in den Formaten AES/EBU, S/PDIF und TOSlink (optisch). Das Gerät schaltet automatisch auf einen alternativen Eingang, wenn das Signal am Haupteingang verstummen sollte. Damit ist es ideal für den Einsatz in der Hauptsendeschiene oder dem Ausgang eines Studios und hilft dabei, Sendeausfälle mit einer Havarie-Programmquelle oder einem redundanten Signalweg zu überbrücken. .

 

   Dieses Symbol zeigt an, dass das Produkt mit der Rackbefestigung RB-RK3 genutzt werden kann.

   Dieses Gerät ist 24Bit/192kHz-fähig.

 

RB-DSD1

Digitaler Sendeausfall-Detektor

Der RB-DSD1 Digitaler Sendeausfall-Detektor entspricht in seiner Funktionalität dem Sonifex RB-SD1, bietet jedoch anstelle der analogen Anschlüssel ausschließlich digitale Schnittstellen in den Formaten AES/EBU, S/PDIF und TOSlink (optisch). Das Gerät schaltet automatisch auf einen alternativen Eingang, wenn das Signal am Haupteingang verstummen sollte. Damit ist es ideal für den Einsatz in der Hauptsendeschiene oder dem Ausgang eines Studios und hilft dabei, Sendeausfälle mit einer Havarie-Programmquelle oder einem redundanten Signalweg zu überbrücken.

 

Das Gerät schaltet:

  • bei Pegelabfall am Haupteingang
  • bei Pegelabfall eines Kanals am Haupteingang
  • bei Verlust des Taktsignals am Haupteingang

 

Das RB-DSD1 bietet zwei digitale Stereoeingänge, die beide in den Formaten AES/EBU, S/PDIF und TOSlink (optisch) vorliegen. Alle Eingänge werden über einen Abtastratenwandler geführt, damit das Ausgangsformat frei gewählt werden kann. Jeder der Eingänge kann als Haupt- oder Havarieeingang genutzt werden. Da beide Eingänge permanent überwacht werden, können Störungen auf beiden Leitungen über eine Meldeleitung sofort angezeigt werden. Über eine LED wird angezeigt, ob ein Kanal als Haupteingang (grün) oder als Havarieeingang (rot) konfiguriert wurde. Ein Blinken der LED zeigt dabei an, dass am entsprechenden Eingang kein gültiges Taktsignal anliegt.

Wenn der Pegel an einem Eingang über eine einstellbare Zeitspanne unter einen vorgegebenen Pegel abfällt, schaltet das Gerät automatisch auf den alternativen Eingang um. Die Schaltschwelle kann über frontseitige DIP-Schalter in 3 dB-Schritten zwischen -39dBFS und -84dBFS geschaltet werden. Die Zeitspanne wird dabei ebenfalls über DIP-Schalter in Schritten von zwei Sekunden zwischen 0 und 252 Sekunden eingestellt. Um Fehlbedienungen zu verhindern, können die DIP-Schalter mit einer verschraubbaren Abdeckung geschützt werden.

Das Gerät bietet zwei redundante Ausgänge, die jeweils in den Formaten AES/EBU, S/PDIF und TOSlink (optisch) vorliegen. Da alle Ausgänge immer das gleiche Signal ausgeben, besitzt das Gerät so effektiv 6 Ausgänge, die jedoch mit einer gemeinsamen Abtastrate von 32kHz, 44.1kHz, 48kHz, 88.2kHz, 96kHz, 176.4kHz oder 192kHz arbeiten. Bei hohen Abtastraten müssen ggf. beide Ausgänge zusammengeschaltet werden.

Zur Synchronisation bietet das Gerät einen BNC-Wordclockanschluss sowie einen zusätzlichen AES/EBU-Synchronisationsanschluss. Außerdem können die Synchronisationskarten RB-SYA und RB-SYD eingebaut werden, die die Synchronisation zu analogen oder digitalen Videosignalen möglich machen.

Die Synchronisationsquelle wird über DIP-Schalter auf der Vorderseite gewählt. Über eine SYNC-Taste wird einer der folgenden Betriebsmodi ausgewählt:

Master-Modus

Der interne Taktgenerator liefert das Taktsignal für die Übertragung. Externe Taktsignale werden nicht benötigt.

Auto Sync-Modus

In diesem Modus folgt das Gerät dem Taktsignal einer ausgewählten Synchronisationsquelle. Sollte die Taktquelle kein gültiges Signal mehr senden, schaltet das Gerät automatisch auf den internen Takt um und nutzt dessen eingestellte Abtastrate.

Auto Lock-Modus

Dies entspricht weitgehend dem Auto Sync-Modus. Sollte das externe Taktsignal jedoch entfallen, arbeitet das Gerät mit dem internen Taktgenerator bei der Abtastrate weiter, die der zuletzt gültigen externen Frequenz am nächsten liegt.

Slave-Modus

Das Gerät arbeitet ausschließlich mit dem Taktsignal einer externen Quelle. Sollte diese entfallen schaltet das Gerät alle Ausgänge stumm.

 

Es werden zwei wählbare Rückkehrmodi angeboten, sobald die Hauptquelle wieder zur Verfügung steht. Im ersten schaltet das Gerät sofort zurück auf die Hauptquelle, wenn dort ein gültiges Signal anliegt. Im zweiten Modus muss die Rückschaltung manuell über die RESTORE Taste erfolgen.

Das RB-DSD1 kann vollständig fernbedient werden. Dies schließt alle Einstellmöglichkeiten und zusätzliche Alarmschaltungen ein. Über Fernsteuerungsausgänge kann ein separater Alarm für beide Eingänge ausgelöst und weitere Geräte können automatisch gestartet werden. Dabei kann der Alarm sowohl dauerhaft ausgelöst, als auch automatisch deaktiviert werden, sobald das Signal wieder vorhanden ist.

Sollte nur eine Stereoseite ausfallen, gibt es zwei einstellbare Reaktionsmöglichkeiten. Entweder der betroffene Kanal wird stumm geschaltet und verbleibt im Signalweg, oder der weiterhin aktive Kanal wird auf den fehlenden Kanal kopiert, so dass am Ausgang ein Monosignal anliegt. Bei Ausfall der Synchronisationsquelle kann das Gerät entweder sofort auf den Havarieeingang schalten oder sich nach den Einstellungen der Pegelerkennung richten.

Über verschiedene LEDs auf der Frontseite können die Betriebszustände aller Kanäle und Eingänge überwacht werden. Eine Besonderheit des Gerätes kann nur über die Sonifex SCi-Software genutzt werden: Mit ihr können unterschiedliche Voreinstellungen der Pegel- und Zeitschwelle abgespeichert werden und bieten somit unterschiedliche Vorgaben für verschiedene Sendesituationen oder Tageszeiten. Über einen DIP-Schalter wird zwischen der Geräte- oder Softwarebedienung umgeschaltet. Sollten Sie weitere Funktionen benötigen, wenden Sie sich mit ihren Anforderungen direkt an Sonifex. Wir können viele Spezialfunktionen für Ihre Anwendung integrieren.

Sollte die Stromzufuhr zum Gerät unterbrochen werden, schalten alle elektrischen Digitalschnittstellen in einen Hardwire-Bypass. Auf diese Weise wird sicher gestellt, dass das Signal auch bei einem Gerätefehler oder Stromausfall übertragen wird.

Dieses Produkt besitzt Einstellparameter, die mit Hilfe der Software Sonifex SCi (Serial Control Interface) editiert werden können. Folgen Sie diesem Link, um die SCi-Software herunterzuladen.

 

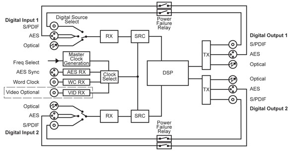
Blockschaltbild RB-DSD1 siehe oben.

Technische Daten RB-DSD1

Audio-Spezifikationen

Dynamikumfang: >138dB
Verzerrung & Rauschen: <-137dB THD + N bei 1kHz, bezogen auf 0 dBFS
Ein- und Ausgangsimpedanzen: 110Ω ±20% AES/EBU symmetrisch E/A
75Ω ±5% S/PDIF unsymmetrisch E/A
75Ω ±5% TOSlink optisch E/A
50Ω BNC TTL Wordclock Eingang
Pegel: Symmetrisch: 3V/10V Spitze-Spitze min/max
Unsymmetrisch: Min 0.5V±20% Spitze-Spitze
Abtastraten: 32, 44.1, 48, 88.2, 96,176.4 oder 192kHz
Bittiefe: bis zu 24Bit
   

Bedienelemente Frontplatte

Digitaleingangswahl: AES/EBU, S/PDIF oder TOSlink optisch via Drucktaste INPUT 1 oder INPUT 2
Synchronisationsquellwahl: AES/EBU, Wordclock, INPUT 1, INPUT 2 oder Videosync-Option via DIP-Schalter
Sync-Modi: Master, Slave, Auto oder Auto lock via Drucktaste SYNC
Alarm-Pegelschaltschwelle: -39 dBFS bis -84 dBFS in 3 dBFS Schritten via DIP-Schalter
Alarm-Zeitschaltschwelle 0 – 252 Sekunden in 2 Skeundschritten via DIP-Schalter
Alarm-Kanalwahl: Mono oder Stereo, via DIP-Schalter
Rückkehrmodi: Manuell oder automatisch Zurücksetzen
Warnanzeigen: Modulations- und Alarmanzeige für linken und rechten Kanal für beide Eingänge
   

Bedienelemente Rückseite

Abtastrate (Ausgänge): 32, 44.1, 48, 88.2, 96,176.4 oder 192kHz via DIP-Schalter
Eingangswahl: Haupteingang von Eingang 1 oder 2 via DIP-Schalter
Rückkehrmodi: Manuell oder automatisch Zurücksetzen
Fernstart: Aktivieren (dauerhaft) oder halten (solange Fehler besteht) via DIP-Schalter
Kanalausfall: Stummschalten- oder durch zweiten Kanal ersetzen via DIP-Schalter
Synchronisationsaufall: Sofort umschalten oder nach Pegelausfallkriterien vorgehen via DIP-Schalter
   

Anschlüsse

Digitaleingange: 2 x AES/EBU XLR dreipolig, weiblich
2 x S/PDIF Cinch
2 x TOSLink optisch
Digitalausgänge: 2 x AES/EBU XLR dreipolig, männlich
2 x S/PDIF Cinch
2 x TOSLink optisch
Sync-Eingänge: 1 x AES/EBU XLR dreipolig, weiblich
1 x Wordclock BNC
1 x Video-Eingang (optional)
Fernbedienung: 15-Weg Sub-D
Serieller Anschluss: RS232, 9-Weg Sub-D
Stromanschluss: Gefilterter IEC-Anschluss, automatisch 85-264VAC @ 47- 63Hz, max 10W
Sicherung: Anti-surge fuse 1A 20 x 5mm
   

Gerätetyp

RB-DSD1: Digitaler Sendeausfall-Detektor
   

Abmessungen

Maße:: 48cm (B) x 10.8cm (T*) x 4.2cm (H) (1HE)
19” (B) x 4.3” (T*) x 1.7” (H) (1HE)
Verpackt: 59cm (B) x 27.5cm (T) x 11cm (H)
23.2” (B) x 10.8” (T) x 4.3” (H)
Gewicht: Netto: 1.4kg Verpackt: 2.0kg
Netto: 3.1lb Verpackt: 4.4lb
   

Zubehör

RB-SYA: Analoge Video-Sync Karte (NTSC, PAL & SECAM)
RB-SYD: Digitale Video-Sync Karte (SD-SDI & HD-SDI)
RB-RK3: 1HE Rackbefestigung
* Hinweis: Dieses Gerät ist etwas tiefer als die Standard-Redboxen.

 

Handbuch (zum Download)

RB-DSD1 • Handbuch