RB-SD1IP
Sendeausfall-Detektor mit Ethernet und USB

   

Der RB-SD1IP Sendeausfall-Detektor ist eine erweiterte Version des bereits bestehenden RB-SD1. Das Gerät im 19“ 1 HE-Format überwacht unbeaufsichtigte Stereo Studiosignale und im Fall eines Signalausfalls, schaltet das Gerät nach einer eingestellten Zeitspanne automatisch auf eine alternative Stereo Audioquelle um. Dieses Signal kann eine aufgezeichnete Nachricht sein (z.B. „Das Programm wird gleich fortgesetzt – kurze Sendeunterbrechung“), Aufnahmen von einem Flashcard Player, Audio von einem angeschlossenen USB Flash-Laufwerk oder eine alternative Programm-Aufzeichnung. Über vorhandene Steuerfunktionen lassen sich externe Geräte starten und der Status signalisieren.

 

   Dieses Symbol zeigt an, dass das Produkt mit der Rackbefestigung RB-RK3 genutzt werden kann.

 

RB-SD1IP

Sendeausfall-Detektor mit Ethernet und USB

Der RB-SD1IP Sendeausfall-Detektor ist eine erweiterte Version des bereits bestehenden RB-SD1. Das Gerät im 19“ 1 HE-Format überwacht unbeaufsichtigte Stereo Studiosignale und im Fall eines Signalausfalls, schaltet das Gerät nach einer eingestellten Zeitspanne automatisch auf eine alternative Stereo Audioquelle um. Dieses Signal kann eine aufgezeichnete Nachricht sein (z.B. „Das Programm wird gleich fortgesetzt – kurze Sendeunterbrechung“), Aufnahmen von einem Flashcard Player, Audio von einem angeschlossenen USB Flash-Laufwerk oder eine alternative Programm-Aufzeichnung. Über vorhandene Steuerfunktionen lassen sich externe Geräte starten und der Status signalisieren.

 

Die Neuheiten

Der RB-SD1IP bietet die gesamte Funktionalität der Standardausführung RB-SD1, doch mit einigen neuen Extras. Die Ethernet Verbindung ermöglicht die komplette Konfiguration und Bedienung des Gerätes via ein webbrowser-basiertes GUI; darüber ist es dem Benutzer möglich feinere Einstellungen für die Schaltschwelle (-60dBu bis 0dBu in 3dBu Schritten) und die Länge der Stille (1 Sekunde bis 24 stunden) vorzunehmen.
Außerdem können Sie die Bedienelemente auf der Vorderseite ferngesteuert ver- und entriegeln, und zwischen den am Gerät vorgenommenen Einstellungen oder der Webbrowser-Konfiguration wählen. Zusätzlich zu den Anzeige-LEDs auf der Vorderseite bietet die Startseite der grafischen Benutzeroberfläche (GUI) eine Ansicht der Signalpegel und des Alarmstatus in Echtzeit.

Über das neue webbrowser-basierte GUI, können linke und rechte Kanäle unabhängig voneinander behandelt werden. Als eines von vielen Fällen kann das externe Auslösen der Relais eingestellt werden – einbezogen die neuen GPIO-Kontakte. Die Remote-Kontakte können für die Verwendung wahlweise ver- und entriegelt werden, und Firmware-Updates lassen sich über das Web-GUI durchführen.
SNMP1 V1 ist implementiert, damit zentrale Managementstationen die Kontrolle übernehmen können. Die Ergänzung mit zusätzlichen 6 GPIO-Kontakten auf der Rückseite des Gerätes ermöglicht kundenspezifische Funktionalität, inklusive der Benutzung des RB-SD1IP Netzwerkanschlusses zur SNMP Trap Generierung für andere Geräte ohne Ethernet.

Der RB-SD1IP wurde auf der Vorderseite mit einem USB Interface ausgestattet das auf zwei Arten verwendet werden kann. Erstens kann über ein USB Flash-Laufwerk ein Upgrade der Firmware durchgeführt werden und zweitens kann davon eine vorher aufgezeichnete Nachricht abgespielt werden, falls das Hauptsignal und das AUX-Signal gleichzeitig ausfallen sollten.

 

Wesentliche Funktionen

  • IP-basierte Gerätekonfiguration mit Webbrowser.
  • SNMP V1 kompatibel.
  • SNMP Trap Generator für nicht-netzwerkbasierte Geräte über GPIO Port.
  • USB Funktionen.

 

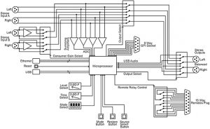
Blockschaltbild RB-SD1IP siehe oben.

Technische Daten des RB-SD1IP

Audio-Spezifikationen

Maximaler Eingangspegel: +28dBu
Maximaler Ausgangspegel: +28dBu
Frequenzgang: 20Hz – 20kHz ± 0.1dB
Eingangsverstärkung: +12dB (für optionalen unsymmetrischen Eingang B)
Verzerrung: Symmetrischer Eingang <0,05% Bezug +8dBu unsymmetrisch beschalteter Eingang B
Eingangsimpedanz: <100k? symmetrisch
Ausgangsimpedanz: wie Eingang (wenn Eingang B unsymmetrisch betrieben wird,  <50Ω)
Rauschen: <87dB, Unity-Gain, Bezug +8dBu unsymmetrisch beschalteter Eingang B
   

Rückseitige Anschlüsse und Bedienelemente

Eingänge A & B: 4 x XLR dreipolig, weiblich (symmetrisch, Eingang B kann unsymmetrisch beschaltet werden)
Ausgänge: 2 x XLR dreipolig, männlich (symmetrisch)
Fernbedienung: 15-polige D-Sub-Buchse
GPIO: 9-polige D-Sub-Buchse
Alarm-Schaltschwelle: -15dBu bis -60dBu in 3 dB-Schritten via Drehschalter
0dBu bis -60dBu in 3 dB-Schritten via Web GUI
Schaltverzögerung: 2 – 30 Sekunden in 2 Sekunden Schritten  & 125 Sekunden, via Drehschalter
Schaltmodus: Mono oder Stereo, via DIP-Schalter Mono, Stereo, oder dual Mono via Web Gui
Nur Alarm melden: Umschaltung/Nur Alarm via DIP-Schalter
Fernstart: Latched oder Momentary via DIP-Schalter
Ethernet: 10/100Mbps an RJ45 Buchse
Stromanschluss: Gefilterter IEC-Anschluss, Dauerbetrieb 85-264VAC, 47-63Hz, max. 10W
Sicherung: Anti-surge fuse 1A 20 x 5mm (230VAC)
   

Frontseitige Anzeigen und Bedienelemente

Schalter (mit Statusanzeige): Quellwahl, Rückkehrmodus und Zurücksetzen
Statusanzeigen: Signal- und Alarmanzeige für linke und rechte Quelle und beide Eingänge, Stromanzeige
Reset: Vertiefter Taster
USB Port: 1 x USB Buchse
   

Maße und Gewichte

Abmessungen: 48cm (B) x 10.8cm (T) x 4.2cm (H) (1HE)
19” (B) x 4.3” (T) x 1.7” (H) (1HE)
Abmessungen (verpackt): 58.5cm (B) x 22.5cm (T) x 7cm (H)
23” (B) x 8.9” (T) x 2.8” (H)
Gewicht: Netto: 1.4kg  verpackt: 2.0kg
Netto: 3.1lbs verpackt: 4.4lbs

 

Handbuch (zum Download)

RB-SD1IP • Handbuch